Toggle navigation
首页
关于野妹
野妹介绍
发展历程
旗下品牌
食品安全
流程制度
管理公告
产品检测报告
美食美荟
锅底系列
丸美无瑕
争芳豆艳
菇蔬绝恋
鲜活海河鲜
天南地北
小鲜肉
现蒸包点
主食小吃
酒水
铁板烧
秘制辣卤
甜品茶饮系列
门店查询
新闻中心
最新活动
最新报道
联系我们
投诉建议
人才招聘
首页
关于野妹
食品安全
美食美荟
门店查询
新闻中心
联系我们
流程制度
管理公告
产品检测报告
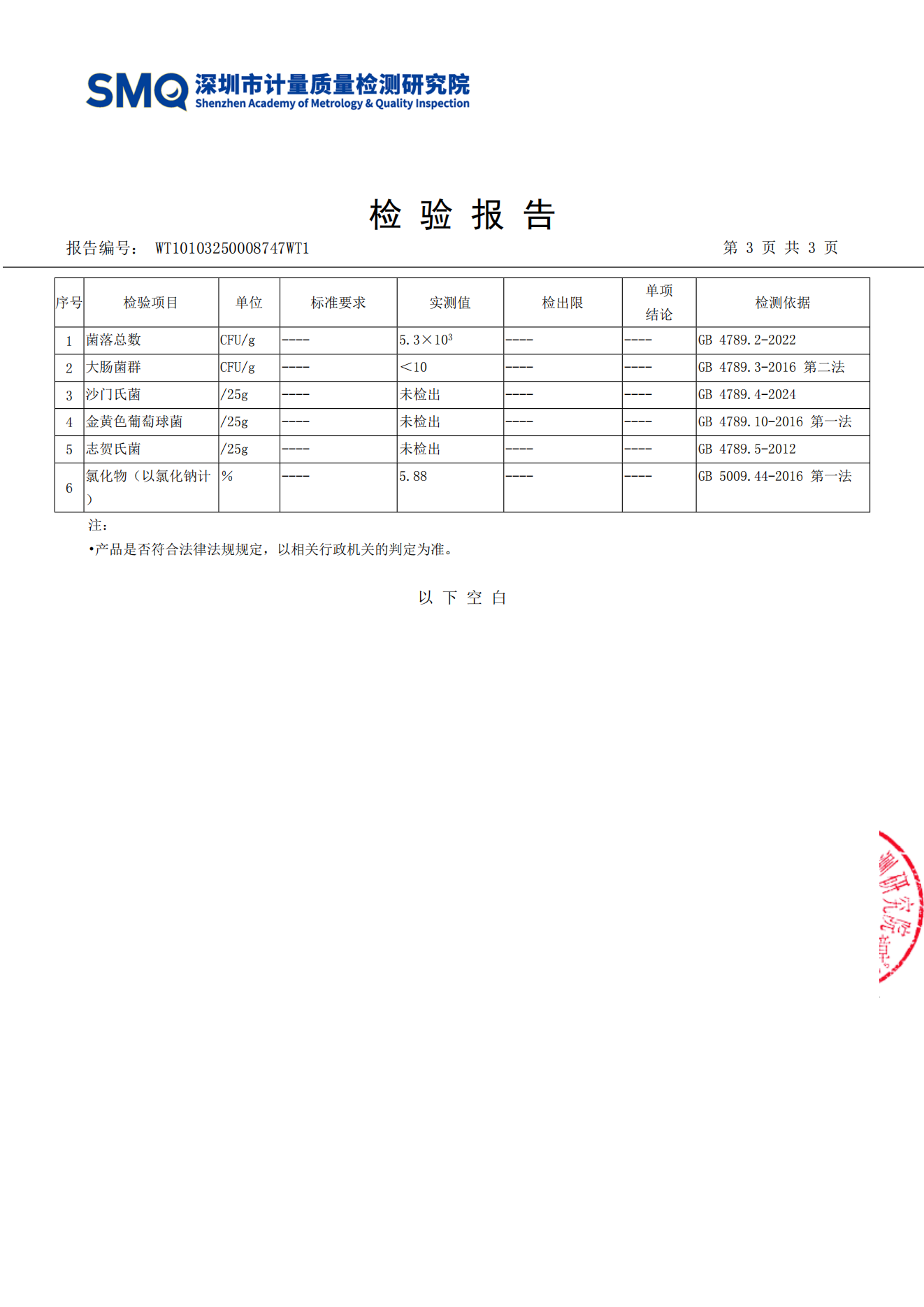
沙茶酱检测报告
2025-04-23 04:33:21
←
上一篇
下一篇
→